本文共 3074 字,大约阅读时间需要 10 分钟。

智能交通系统(ITS)是一种典型的网络物理系统(CPS),通过网络和物理组件进行监控控制,例如互连的自动车辆(CAV)。
An intelligent transportation systems (ITS) is a typical cyber-physical system (CPS) in which physical components, for example, Connected Automated Vehicles (CAVs), are monitored and controlled through a network of cyber and physical components.
因此,此类系统包含事件驱动动力学和时间驱动动力学。
Such systems, therefore, contain event-driven dynamics along with time-driven dynamics.
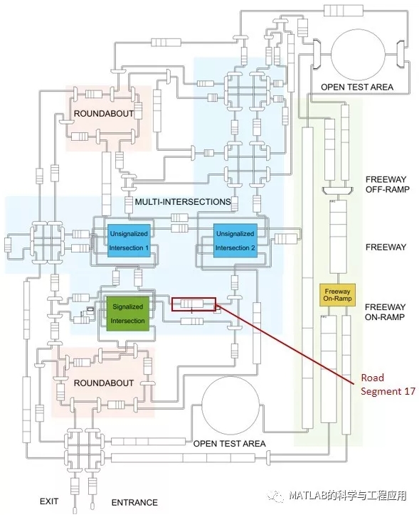
基于SimEvents的离散事件和混合仿真框架有助于测试ITS的安全性和性能评估,并用于建立Mcity测试设施的交通仿真模型。
The proposed discrete-event and hybrid simulation framework based on SimEvents facilitates testing for safety and performance evaluation of an ITS and has been used to build a traffic simulation model of the Mcity test facility.
本代码专门为测试CAV而设计,包含各种道路/车道配置和完整的仪表系统。
It is specifically designed for testing CAVs and contains various road/lane configurations and a complete instrumentation system.
这使得用户能够在微观层面上研究交通,包括不同交通场景下CAV新控制算法的有效性、交通系统事件驱动方面以及通信延迟的影响。
This enables users to study traffic at the microscopic level, including the effectiveness of new control algorithms for CAVs under different traffic scenarios, the event-driven aspects of transportation systems, and the effects of communication delays.
该框架跨越多个工具箱,包括MATLAB、Simulink和SimEvents。
The framework spans multiple toolboxes including MATLAB, Simulink, and SimEvents.
包括三种主要的不同场景:
CAV通过两个相邻的无信号交叉口,采用最优控制策略
使用(i)最优控制(ii)控制屏障函数在高速公路入口匝道处融合CAV
使用最优控制(CAV)和智能驾驶模型(非CAV)通过信号交叉口的CAV和/或非CAV
通过指定Matlab离散事件系统(MATLAB DES)的模块参数,可以在特定场景下尝试不同的控制器。例如,对于在高速公路入口匝道上的CAV合流,可以选择最优控制器或基于控制屏障功能的控制器。此外,如果您想研究排队行为,可以观察信号交叉口2的排队长度。根据您的研究目的,您可以自由编辑或创建自己的流量场景。
Three major different scenarios are included:
CAVs crossing two adjacent unsignalized intersections using optimal control
CAVs merging at freeway on-ramp using (i) optimal control (ii) control barrier functions
CAVs and/or non-CAVs crossing a signalized intersection using optimal control (CAVs) and the intelligent driver model (non-CAVs)
By specifying the Block Parameters of the MATLAB Discrete-Event System (MATLAB DES), you may try different controllers given a particular scenario. For example, for CAVs merging at freeway on-ramp, you can select either an optimal controller or a control barrier function-based controller. In addition, you may observe the queue length of the signalized intersection 2 if you’d like to study the queueing behavior. Feel free to make edits or create your own traffic scenarios depending on your research purpose.
注意:
在对某个场景(如信号交叉口1)进行仿真时,请将其他场景(如无信号交叉口、高速公路入口匝道等)的MATLAB离散事件系统模块设置为“xxx-Dummy”模式。
如果CAV和INFO实体没有自动加载,双击初始化模块“init”。
NOTE:
When running simulation for a certain scenario, e.g., signalized intersection 1, please set the MATLAB Discrete-Event System blocks of other scenarios, e.g., unsignalized intersections, freeway on-ramp, etc., to “xxx_Dummy” mode.
Double click the initialization block “init” if the CAV and INFO entities are not load automatically
可视化是基于原始形式的。目前正在进行的工作包括改进可视化和为整个城市创建地图。
Visualization is primitive. Ongoing work includes improving the visualization and creating a map for the whole Mcity.
完整源码下载地址:
更多精彩文章请关注微信号:
转载地址:http://wymp.baihongyu.com/